loading
| Status de disponibilidade: | |
|---|---|
Série IRG/ISW
Yinjia
Modelo:IRG/ISW YINJIA Pump é um fabricante profissional de bombas de água limpa de superfície na China desde 1990, especializado na fabricação de várias bombas de água limpa de superfície, incluindo bombas elétricas de grande fluxo. Nossa bomba centrífuga vertical/horizontal de estágio único da série IRG/ISW é projetada para múltiplas aplicações, como aumento de pressão de água doméstica, sistemas de circulação de água quente e fria e abastecimento de água industrial. Também fornecemos bombas centrífugas elétricas de alta qualidade para o mercado global, comprometidos em fornecer produtos confiáveis a preços competitivos com serviço superior. Bem-vindo para perguntar sobre nossas bombas elétricas de grande fluxo e outras soluções!
A bomba centrífuga vertical/horizontal de estágio único da série IRG/ISW utiliza processos de fabricação avançados, como estampagem de chapa metálica, hidroformação e soldagem. Como bomba centrífuga pioneira de próxima geração na China, ela substitui as bombas Is tradicionais e as bombas convencionais resistentes à corrosão.
Pressão do sistema: A pressão máxima do sistema é de 1,6 MPa. Isso significa que a pressão de entrada da bomba + a cabeça da bomba não deve exceder 16 MPa.
Meio Adequado: Conteúdo de partículas sólidas insolúveis ≤ 0,1% em volume. Tamanho de partícula s0,2 mm. (Se o meio contiver partículas abrasivas finas, deve ser usado um selo mecânico resistente ao desgaste. Especifique este requisito ao fazer o pedido.) ;
Condições ambientais: Temperatura ambiente 40°C, Umidade relativa ≤95%, Altitude ≤1000 m acima do nível do mar.
-Pressurização Industrial: Sistemas de água de processo, sistemas de limpeza;
TABELA DE PARÂMETROS

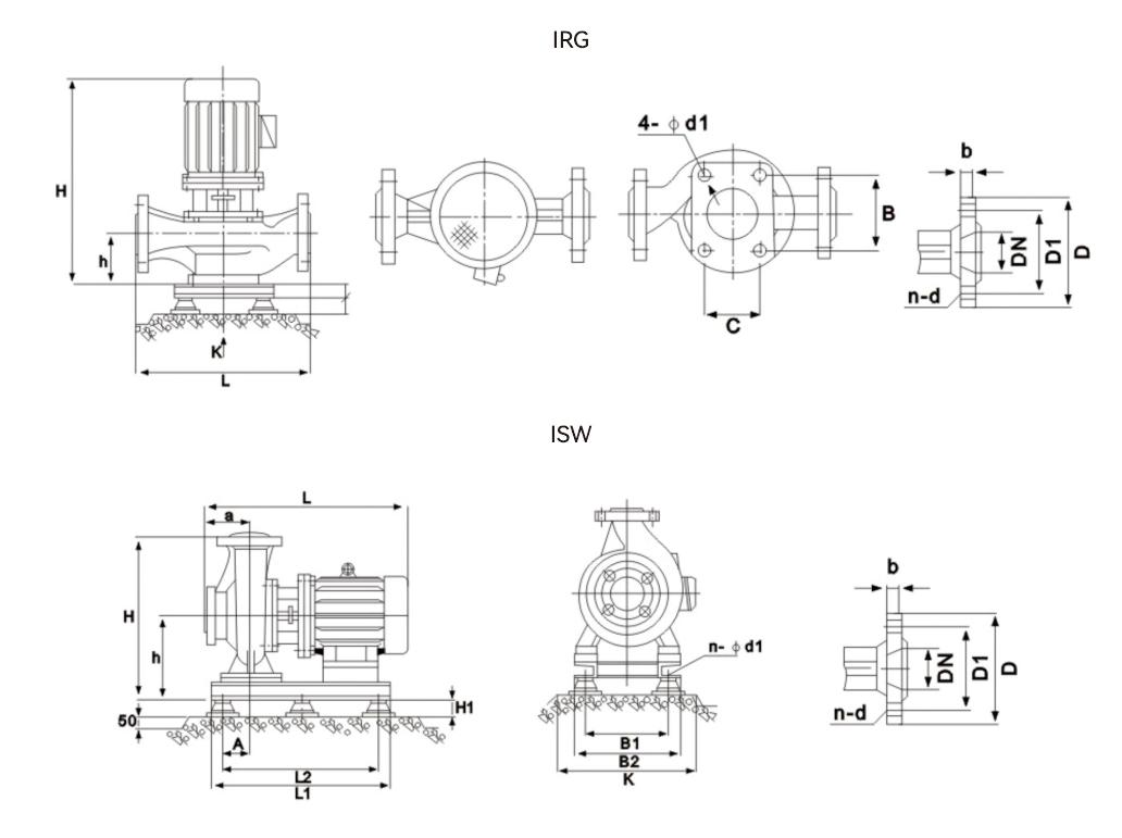
DIMENSÕES
